Dodaj produkty podając kody
Dodaj plik CSV
Wpisz kody produktów, które chcesz zbiorczo dodać do koszyka (po przecinku, ze spacją lub od nowej linijki).
Powtórzenie wielokrotnie kodu, doda ten towar tyle razy ile razy występuje.
Główka cięgła / główka cięgna - uniball GAXSW 35 FLURO - M36x2 (męski)
- Główka cięgła / główka cięgna - uniball GAXSW 35 FLURO - M36x2 (męski)
Główka cięgła GAXSW 35 FLURO - M36x2
Seria GAXSW - Główka cięgła z gwintem zewnętrznym ze stali do ulepszania cieplnego, ocynkowana, z wkładką PTFE (bezobsługowa).
Do stosowania przy dużym dynamicznym obciążeniu rozciągająco / ściskającym. Seria wymiarowa K - bezobsługowe.
Para cierna - stal chromowana/PTFE
Oprawa: stal do ulepszenia cieplnego [DE / FR / IT 42CrMo4 SE 2244, GB 708M40, Aisi 4140], kuta
Panewka łożyska: stal automatowa [DE 9SMnPb28K, FR S250Pb, IT CF9SMnPb28, SE 1912, GB 230M07, US 12L 13] z wklejoną warstwą PTFE.
Pierścień wewnętrzny: stal łożyskowa [ DE FR IT 100Cr6, SE 2258, GB 2S135, US Aisi 52100], hartowany, szlifowany, polerowany

Marka
Symbol
GAXSW 35
Rodzaj Typ
Fluro GAXSW - Series
Gwint
M36x2
Rodzaj Gwintu
Prawy Zewnętrzny (męski)
Specyfikacja
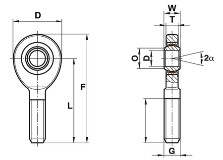
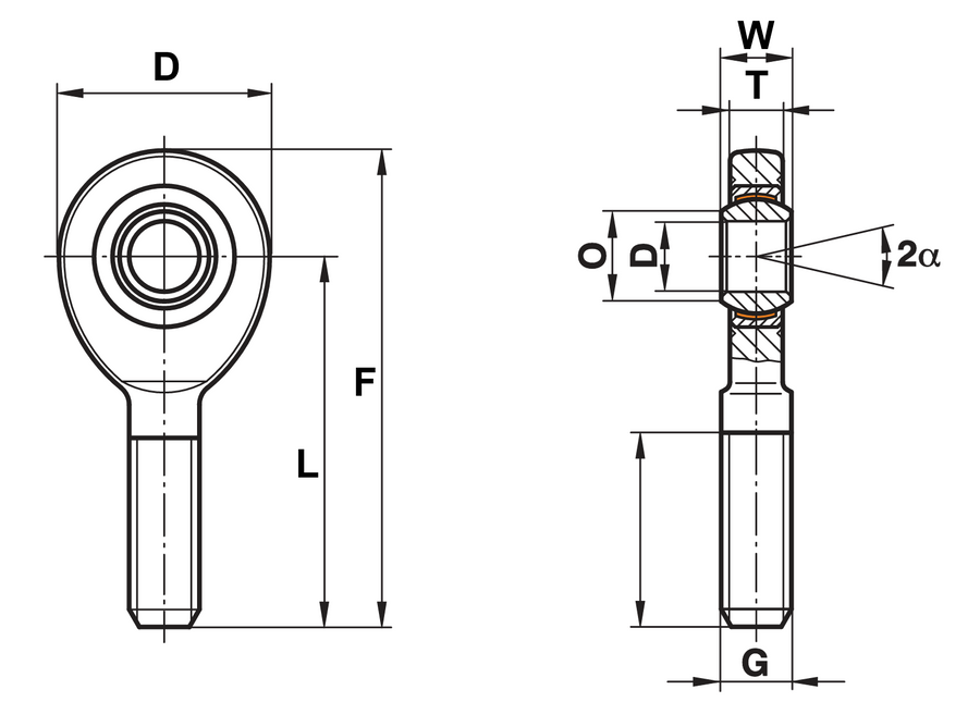
D - średnica zewnętrzna główki cięgła [mm /inch]
80 / 3.15"
W - szerokość pierścienia wewnętrznego [mm /inch]
43 / 1.69"
T - szerokość pierścienia zewnętrznego [mm /inch]
28 / 1.10"
L- długość [mm /inch]
125 / 4.92"
GM - Długość gwintu [mm /inch]
73 / 2.87"
Kąt wychylenia
38°
Maksymalne obciążenie statyczne [kN / lbf]
230.0 / 51706.06
Maksymalne obciążenie dynamiczne [kN / lbf]
205.0 / 46085.83
Waga
1600 g / 3.53 lbs
Zapytaj o produkt
Napisz swoją opinię












